43 permintaan kembali dana kas kecil dibuat oleh

Materi Kas Kecil Full - Asep Nurholik a. fungsi pemegang dana kas kecil. 1. pemegang as kecil membuat permintaan pengisian kembali kas kecil PP3K. 2. menyerahkan PP3K lembar 1 dan 2,BPKK, dan dokumen pendukung kepada bagian utang. 3. menerima bukti kas keluar (BKK) lembar 3 dan cek bagian utang. 4. mengunakan cek ke bank. 5. menyimpan uang tunai. Soal Pilihan Ganda Dan Jawabannya Tentang Dana Kas Kecil ... e.Pencatatan selisih kas kecil 8.Dokumen yang dibuat oleh kasir kas besar setelah bukti pengeluaran kas pembent ukan dana kas kecil disetujui oleh direktur keuangan untuk dicairkan oleh bendahara kas k ecil ke bank adalah … . a.Bukti kas keluar RPP KAS KECIL KELAS XII APPage 11 b.Faktur c.Cek. d.Bukti pengeluaran kas kecil e.Permintaan ...

Contoh Form Pengajuan Dana Kas Kecil - Kondisko Rabat Formulir form pengajuan dana kas kecil merupakan sehelai kertas yang didalamnya terdiri dari beberapa format yang dibuat oleh seorang sekretaris pegawai administrasi pejabat yang berwewenang untuk melakukan pengisian kembali terhadap kas kecil yang sudah kosong dengan nominal yang sudah ditetapkan sebelumnya dengan persetujuan pimpinan.

Permintaan kembali dana kas kecil dibuat oleh

Permintaan kembali dana kas kecil dibuat oleh

Materi Akuntansi: Dana Kas Kecil Permintaan Kembali Dana Kas Kecil. Dokukmen ini dibuat oleh pemegang dana kas kecil untuk meminta kepada bagian utang agar dibuatkan bukti kas keluar guna pengisian kembali dana kas kecil. 3. METODE PENCATATAN DANA KAS KECIL Metode pencataan dana kas kecil berkaitan dengan pembentukan awal serta proses menjurnal mutasi kas kecil yang digunakan. ... XI AKL AKUNTANSI KEUANGAN JUM'AT | Other Quiz - Quizizz Permintaan kembali dana kas kecil dibuat oleh .... XI AKL AKUNTANSI KEUANGAN JUM'AT. DRAFT. 11th grade. 0 times. Other. 0% average accuracy. 22 minutes ago. arekgendeng88_32849. 0. Save. Edit. Edit. XI AKL AKUNTANSI KEUANGAN JUM'AT DRAFT. 22 minutes ago. by arekgendeng88_32849. Played 0 times. 0. 11th grade . Other. 0% average accuracy. 0. Save ... 43 permintaan kembali dana kas kecil dibuat oleh - Kelola ... Feb 26, 2019 · Permintaan kembali dana kas kecil dibuat oleh pemegang dana kas kecil. Pembahasan Kas kecil adalah sejumlah uang tunai yang digunakan untuk mendanai pengeluaran-pengeluaran yang relatif kecil, dan tidak ekonomis apabila dibayar dengan cek.

Permintaan kembali dana kas kecil dibuat oleh. permintaan pengisian kembali kas kecil yang dibuat oleh ... permintaan pengisian kembali kas kecil yang dibuat oleh pemegang dana kas kecil from SMK NEGERI 6 PANDEGLANG 123 at SMK Negeri 2 Pekalongan 41 prosedur pengisian kembali dana kas kecil - Saham ... Prosedur pengisian kembali dana kas kecil. "Proses Pengeluaran Dan Pengisian Kembali Dana Kas Kecil Pada PT Bursa Efek. Indonesia Perwakilan Medan". Penulis menyadari adanya kekurangan dan kelemahan ... Lembar 1 dan 3, diserahkan kepada bagian kasir dilampiri dengan surat permintaan pengisian kembali kas kecil lembar 2 dan dokumen pendukungnya. Materi Kas Kecil.docx - Materi Kas Kecil Full Posted on ... Materi Kas Kecil Full Posted on April 7, 2013 by nurholikasep MATERI 1 : KAS KECIL 1. 1. DEFINISI DANA KAS KECIL ( PETTY CASH ) Kas kecil adalah sejumlah uang kas atau uang tunai yang disediakan perusahaan untuk membayar pengeluaran-pengeluaran yang jumlahnya relaatif kecil dan tidak ekonomis apabila dibayar dengan cek. Pengeluaran yang relatif kecil misalnya pembelian perangko, meterai ... SOAL DANA KAS KECIL DAN JAWABANNYA - Blogger a. Dibentuk dengan mengestimasi jumlah kas yang perlukan untuk pengeluaran yang relatif kecil sekama periode tertentu. b. Digunakan untuk membayar jumlah yang relatif kecil. c. Diisi kembali bila jumlah uang dalam dana tersebut telah menurun ke jumlah minimum. d. Merupakan keharusan bagi semua perusahaan. e. a, b, dan c benar. 4.

Kenali Contoh Laporan Kas Kecil, Cara Praktis Membuatnya Bukti Permintaan Pengisian Kembali Kas Kecil Terakhir untuk bukti ini biasanya dibuat oleh pemegang dana dan meminta pengisian kembali kepada bagian keuangan untuk dibuatkan dana kas keluar dengan tujuan pengisian kembali petty cash. Bagaimana Menghitung & Membuat Contoh Laporan Kas Kecil? Kas Kecil : Pengertian, Fungsi, Ciri, Tujuan & Metodenya ... Permintaan Pengisian Kembali Kas Kecil; Dokumen ini dibuat oleh para pemegang dana kas kecil untuk meminta kepada bagian utang agar dibuatkan bukti kas keluar untuk sebuah pengisian kembali dana kas kecil. Metode Pencatatan Kas Kecil. 1. Metode Tetap (Imprest Fund System) Permintaan kembali dana kas kecil dibuat oleh? - Brainly.co.id Feb 26, 2019 · Permintaan kembali dana kas kecil dibuat oleh pemegang dana kas kecil. Pembahasan Kas kecil adalah sejumlah uang tunai yang digunakan untuk mendanai pengeluaran-pengeluaran yang relatif kecil, dan tidak ekonomis apabila dibayar dengan cek. Pengeluaran yang relatif kecil misalnya pembelian perangko, meterai, pembayaran rekening listrik, telepon ... Winarto's Website: Kas Kecil Perusahaan: Konsep Dasar Jika dana kas kecil menipis, pemegang dana kas kecil mengisi formulir permintaan pengisian kembali kas kecil. Formulir ini dilampiri dengan bukti-bukti pendukungnya dikirimkan ke bagian utang untuk diproses dalam pengisian kembali dana kas kecil.

(PDF) Buku2 Praktik Audit Fauziyah Mei - Academia.edu Hormat kami, Budhi Murtiyasa 37 KODE WP : D-4 PT ARUM PESONA SEJATI PERSEDIAAN PERALATAN KECIL DAN PERSEDIAAN SUPPLIES KANTOR 31-12-2009 Diperiksa oleh Dibuat oleh Sumber Reviewed by Prepared by Source 38 CV HANDY Biro Iklan Jalan Taman Sari No. 1320-Surabaya Telp 614-3289 23 Januari 2010 Kepada Yth. Drs. Susilo & Co. Jln. Papandayan No. 1 ... Pengertian, Tujuan, Metode dan Contoh Kas Kecil - Jurnal.id Permintaan Pengisian Kembali Kas Kecil. Dokumen ini dibuat oleh pemegang dana kas kecil untuk meminta kepada bagian utang agar dibuatkan bukti kas keluar untuk pengisian kembali dana kas kecil. Contoh Kas Kecil. Kas kecil bersifat opsional dalam sebuah perusahaan. BAB 1 PENDAHULUAN 1.1. Latar Belakang Penelitian by L Marlina · 2019 — Permintaan pengisian kembali dana kas kecil pada imprest system dilakukan oleh pemegang dana kas kecil dengan menggunakan formulir permintaan pengisian kembali ... Akuntansi: Kas Kecil Dokumen ini dibuat oleh pemakai dana kas kecil untuk mempertanggung-jawabkan pemakaian dana kas kecil. 5. Permintaan Pengisian Kembali Kas Kecil. Jika persediaan kas kecil sudah menipis maka pemegang kas kecil menggunakan dokumen permintaan Pengisian Kembali Kas Kecil untuk menambah saldo kas kecil agar saldonya sama seperti pada waktu ...

PPT - MENGELOLA DANA KAS KECIL PowerPoint Presentation ...

PPT - MENGELOLA DANA KAS KECIL PowerPoint Presentation ...

√Kas Kecil Adalah: Pengertian, Tujuan, Ciri, Dokumen,Metode Feb 15, 2022 · Dokumen ini dilampiri dengan bukti-bukti pengeluaran kas kecil dan diserahkan oleh pengguna dana kas kecil kepada pemegang dana kas kecil. 5. Permintaan pengisian kembali kas kecil. Dokumen ini dibuat oleh pemegang dana kas kecil untuk meminta kepada bagian utang agar dibuatkan bukti kas keluar untuk pengisian kembali dana kas kecil.

Pengajuan Dana Kas Kecil - Guru Paud

Pengajuan Dana Kas Kecil - Guru Paud

Kas Kecil: Pengertian, Fungsi dan Prosedur Pengelolaannya ... Selanjutnya, ketika dokumen sudah komplet, maka akan diserahkan oleh pengguna dana kas kecil ke pemegang dana kas kecil. 5. Permintaan Pengisian Kembali Kas Kecil. Pemegang dana kas kecil membuat dokumen ini untuk meminta kepada bagian utang agar menyediakan bukti kas keluar. Bukti ini kemudian digunakan untuk pengisian kembali dana kas kecil.

Soal ujian nasional produktif ad perkantoran thn 2009

Soal ujian nasional produktif ad perkantoran thn 2009

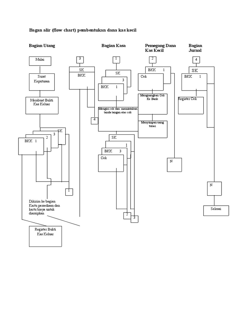
Nurhayati Puspita Sari: Materi Dana Kas Kecil Tidak ada ayat jurnal tambahan yang dibuat untuk akun kas kecil selama manajemen tidak mengbah jumlah dana yang dikehendaki. Bagian yang terlibat dalam prosedur ini, yaitu : bagian hutang, bagian kasa, pemegang dana kas kecil, bagian akuntansi. 1.6 Prosedur Permintaan dan Pertanggungjawaban Pengeluaran Dana Kas Kecil.

sistem akuntansi semester 2: sistem kas dan kas kecil

sistem akuntansi semester 2: sistem kas dan kas kecil

Kas Kecil: Definisi, Tujuan, Metode Serta Contohnya ... Permintaan Pengisian Kembali Kas Kecil Dokumen ini dibuat oleh pemegang dana kas kecil untuk memohon kepada bagian utang supaya dibuatkan bukti kas keluar untuk pengisian kembali dana kas kecil. Contoh Kas Kecil Kas kecil bersifat opsional dalam suatu perusahaan.

Dibuat Untuk Memenuhi Tugas Sistem Akuntasi: SISTEM ...

Dibuat Untuk Memenuhi Tugas Sistem Akuntasi: SISTEM ...

KAS KECIL | KAS KECIL - Blogger Buku kas kecil. Tahap - tahapPembentukan Dana Kas Kecil. 1. Menaksir jumlah uang yang diperlukan untuk dana kas kecil. 2. Setelah jumlahnya ditentukan, selanjutnya ditarik sebuah cek dan diberi keterangan untuk dana kas kecil. 3. Uang yang diperoleh dari pencairan cek tersebut disimpan oleh kasir kas kecil. 4.

Kehilangan Perjaka Dengan Polwan Cantik dan Binal - Cerita ...

Kehilangan Perjaka Dengan Polwan Cantik dan Binal - Cerita ...

Tugas Kelompok Minggu 3 | ricoputra14 Akuntansi beralih kembali kedunia barat, dan kali ini mencerminkan prinsip-prinsip yang ditetapkan dalam Direktif Uni Eropa. Comercial code yang baru dibuat oleh parlemen ceko pada tahun 1991dan efektif pada tahun 1992 di pengaruhi undang-undang perdagangan austria yang lama dan mencontoh pada undang-undang perdagangan jerman. Perbandingan

MENERAPKAN PERSIAPAN PENGELOLAAN DANA KAS KECIL

MENERAPKAN PERSIAPAN PENGELOLAAN DANA KAS KECIL

Apa itu Kas Kecil : Pengertian, Ciri, Tujuan dan Fungsinya X. Mutasi Dana Kas Kecil — Permintaan pengisian kembali kas kecil. Dokumen ini dibuat oleh pemegang dana kas kecil guna meminta kepada bagian utang supaya ...

sistem akuntansi semester 2: sistem kas dan kas kecil

sistem akuntansi semester 2: sistem kas dan kas kecil

Pengelolaan Dana Kas Kecil - Sumber Belajar Formulir permintaan pengisian dana kembali kas kecil • Formulir permintaan pengeluaran kas kecil • Jurnal pengeluaran kas • Buku jurnal kas kecil

Radita Wahyu Pratiwi: MENGENALI DOKUMEN PEMAKAIAN DANA KAS ...

Radita Wahyu Pratiwi: MENGENALI DOKUMEN PEMAKAIAN DANA KAS ...

Dana Kas Kecil Dan Penerapannya - Krishand Blog Bukti pengeluaran kas kecil; Dokumen ini dibuat oleh pengguna dana kas kecil untuk mempertanggungjawabkan pemakaian dana petty cash. Dokumen ini dilampiri dengan bukti-bukti pengeluaran kas kecil dan diserahkan oleh pengguna dana kas kecil kepada pemegang dana kas kecil. Permintaan pengisian kembali kas kecil

PPT - MENGELOLA DANA KAS KECIL PowerPoint Presentation ...

PPT - MENGELOLA DANA KAS KECIL PowerPoint Presentation ...

Perbup No.1 2019 | PDF 36.Rencana Anggaran Kas Gampong yang selanjutnya disingkat RAKG adalah dokumen yang memuat arus kas masuk dan arus kas keluar yang digunakan mengatur penarikan dana dari rekening kas untuk mendanai pengeluaran-pengeluaran berdasarkan DPA yang telah disahkan oleh Keuchik. 37.Surat Permintaan Pembayaran yang selanjutnya disingkat SPP adalah …

Gambar Handling Petty Cash Administrasi Bisnis Pembukuan ...

Gambar Handling Petty Cash Administrasi Bisnis Pembukuan ...

Kas Kecil (Dini) | PDF - Scribd Permintaan kembali dana kas kecil dibuat oleh ..... a. Direktur ... Dokumen yang dibuat oleh kasir kas besar setelah bukti pengeluaran kas pembentukan dana

Pasangan Kakek-Nenek Ini Meninggal Dalam Waktu yang ...

Pasangan Kakek-Nenek Ini Meninggal Dalam Waktu yang ...

Kas Kecil: Kas Kecil - beritaekonomi3.blogspot.com Akun Kas Kecil berfungsi sebagai tempat mencatat jumlah dana kas kecil yang ditetapkan, jumlah yang bersangkutan tidak akan berubah sepanjang dipandang tidak perlu ditambah atau dikurangi. Dalam metode penerapan dana tetap. Jumlah dana pengisian kembali kas kecil sebesar (sama dengan) dana yang telah digunakan oleh para pemakai dana.

Dana Kas Kecil

Dana Kas Kecil

Permintaan kembali dana kas kecil dibuat oleh | Yang Apa permintaan kembali dana kas kecil dibuat oleh || Permintaan kembali dana kas kecil dibuat oleh pemegang dana kas kecil. Pembahasan Kas kecil adalah sejumlah uang tunai yang digunakan untuk mendanai pengeluaran-pengeluaran yang relatif kecil, dan tidak ekonomis apabila dibayar dengan cek.

PPT - MENGELOLA DANA KAS KECIL PowerPoint Presentation ...

PPT - MENGELOLA DANA KAS KECIL PowerPoint Presentation ...

Kas Kecil: Pengertian - Cara membuat dan Contohnya Akuntansi Dokumen ini dibuat untuk mempertanggung jawabkan pemakaian dana kas dan diserahkan oleh pengguna dana kas kecil kepada pemegang dana kas kecil. 5. Permintaan Pengisian Kembali Kas Kecil. Dokumen ini dibuat untuk meminta kepada bagian utang agar dibuatkan bukti kas keluar untuk pengisian kembali dana kas kecil. Cara Membuat Laporan Dana Kas ...

30 Jelaskan Prosedur Mengelola Dana Kas Kecil - Info Dana ...

30 Jelaskan Prosedur Mengelola Dana Kas Kecil - Info Dana ...

Dana Kas Kecil: Pengertian dan Metode Pencatan Kas Kecil ... f. Permintaan Pengisian Kembali Kas Kecil (PPKKK) Bukti ini dibuat oleh pemegang kas kecil untuk meminta pengisian kembali kas kecil kepada bagian keuangan. Metode Pencatatan Kas Kecil. Ada dua metode yang diterapkan dalam pencatatan dana kas kecil yaitu metode dana tetap (Imprest fund method) dan metode dana tidak tetap (Fluctuation fund ...

Alur Pengeluaran Kas - Fajar 26

Alur Pengeluaran Kas - Fajar 26

MENGENALI DOKUMEN PEMAKAIAN DANA KAS KECIL - Blogger 5. Permintaan Kembali Dana Kas Kecil. Dokukmen ini dibuat oleh pemegang dana kas kecil untuk meminta kepada bagian utang agar dibuatkan bukti kas keluar guna pengisian kembali dana kas kecil. Contoh Format Permintaan Kembali Dana Kas Kecil seperti pada Gambar D2-5.

Bukti Transaksi Kas Bank

Bukti Transaksi Kas Bank

Permintaan Kembali Dana Kas Kecil Dibuat Oleh? - Parafasia.com Feb 25, 2022 · Jadi disini sudah bisa kamu simpulkan ya, jawaban yang benar adalah B. Pemegang dana kas kecil. Sumber: Menurut encyclopedia britannica, Permintaan kembali dana kas kecil dibuat oleh? jawabanya adalah Pemegang dana kas kecil.

20 Contoh Soal Dana Kas Kecil - Info Dana Tunai

20 Contoh Soal Dana Kas Kecil - Info Dana Tunai

Ulangan Harian KD.310 | Business Quiz - Quizizz Dokumen yang dibuat pada saat kasa mengeluarkan dana kas untuk pembentukan dana kas kecil guna pengisian kembali dana kas kecil adalah ... answer choices ... surat permintaan pengisian dana kas kecil bukti kas masuk ... Bukti kas yang dibuat oleh pemegang dana kas kecil bahwa telah menerima sejumlah uang untuk keperluan kas kecil ...

Dana KAS KECIL: Pengertian, Tujuan, Manfaat & Metode ...

Dana KAS KECIL: Pengertian, Tujuan, Manfaat & Metode ...

43 permintaan kembali dana kas kecil dibuat oleh - Kelola ... Feb 26, 2019 · Permintaan kembali dana kas kecil dibuat oleh pemegang dana kas kecil. Pembahasan Kas kecil adalah sejumlah uang tunai yang digunakan untuk mendanai pengeluaran-pengeluaran yang relatif kecil, dan tidak ekonomis apabila dibayar dengan cek.

23 Prosedur Pengisian Kembali Dana Kas Kecil - Info Dana Tunai

23 Prosedur Pengisian Kembali Dana Kas Kecil - Info Dana Tunai

XI AKL AKUNTANSI KEUANGAN JUM'AT | Other Quiz - Quizizz Permintaan kembali dana kas kecil dibuat oleh .... XI AKL AKUNTANSI KEUANGAN JUM'AT. DRAFT. 11th grade. 0 times. Other. 0% average accuracy. 22 minutes ago. arekgendeng88_32849. 0. Save. Edit. Edit. XI AKL AKUNTANSI KEUANGAN JUM'AT DRAFT. 22 minutes ago. by arekgendeng88_32849. Played 0 times. 0. 11th grade . Other. 0% average accuracy. 0. Save ...

Karena Anak Pengen Jajan Terus ! Jadi Bikin Tantangan ...

Karena Anak Pengen Jajan Terus ! Jadi Bikin Tantangan ...

Materi Akuntansi: Dana Kas Kecil Permintaan Kembali Dana Kas Kecil. Dokukmen ini dibuat oleh pemegang dana kas kecil untuk meminta kepada bagian utang agar dibuatkan bukti kas keluar guna pengisian kembali dana kas kecil. 3. METODE PENCATATAN DANA KAS KECIL Metode pencataan dana kas kecil berkaitan dengan pembentukan awal serta proses menjurnal mutasi kas kecil yang digunakan. ...

MENGELOLA DANA KAS KECIL - Yunniastati Baderan, S.Pd

MENGELOLA DANA KAS KECIL - Yunniastati Baderan, S.Pd

Dana Kas Kecil (Petty Cash)

Dana Kas Kecil (Petty Cash)

Dikado Tarian Telanjang saat Ultah, Lha Kok di depan Ada ...

Dikado Tarian Telanjang saat Ultah, Lha Kok di depan Ada ...

Permain anak zaman dulu yg hilang - YouTube

Permain anak zaman dulu yg hilang - YouTube

Winarto's Website: Kas Kecil Perusahaan: Konsep Dasar

Winarto's Website: Kas Kecil Perusahaan: Konsep Dasar

Mengira Anaknya Meninggal karena Alat Kelamin Menantu ...

Mengira Anaknya Meninggal karena Alat Kelamin Menantu ...

akuntansi puna 'na MEVI: BKK Untuk Pengisian Kembali Dana ...

akuntansi puna 'na MEVI: BKK Untuk Pengisian Kembali Dana ...

Demi Pengobatan Ibunya Anak Ini Rela Bekerja Mengurus ...

Demi Pengobatan Ibunya Anak Ini Rela Bekerja Mengurus ...

Gambar Handling Petty Cash Administrasi Bisnis Pembukuan ...

Gambar Handling Petty Cash Administrasi Bisnis Pembukuan ...

MENERAPKAN PERSIAPAN PENGELOLAAN DANA KAS KECIL

MENERAPKAN PERSIAPAN PENGELOLAAN DANA KAS KECIL

Contoh Form Pengajuan Dana Kas Kecil - Bukti Kas Keluar ...

Contoh Form Pengajuan Dana Kas Kecil - Bukti Kas Keluar ...

Sistem akuntansi pengeluaran kas dengan dana kas kecil ...

Sistem akuntansi pengeluaran kas dengan dana kas kecil ...

Contoh SOP Pengeluaran Kas Bon

Contoh SOP Pengeluaran Kas Bon

Radita Wahyu Pratiwi: MENGENALI DOKUMEN PEMAKAIAN DANA KAS ...

Radita Wahyu Pratiwi: MENGENALI DOKUMEN PEMAKAIAN DANA KAS ...

Apakah permintaan atau kemauan anak harus selalu dituruti ...

Apakah permintaan atau kemauan anak harus selalu dituruti ...

dana tunai non bi checking

dana tunai non bi checking

(PPT) Mengelola dana kas kecil | dayatri yuriningsih ...

(PPT) Mengelola dana kas kecil | dayatri yuriningsih ...

Contoh Surat Pengajuan Permohonan 2018 November 2018 ...

Contoh Surat Pengajuan Permohonan 2018 November 2018 ...

Inilah Permintaan Terakhir Wanita Yang Meninggal Saat ...

Inilah Permintaan Terakhir Wanita Yang Meninggal Saat ...

17 Transaksi Apa Saja Yang Mengakibatkan Terjadinya Mutasi ...

17 Transaksi Apa Saja Yang Mengakibatkan Terjadinya Mutasi ...

Winarto's Website: Kas Kecil Perusahaan: Konsep Dasar

Winarto's Website: Kas Kecil Perusahaan: Konsep Dasar

Akibat Tidak Mendengar Larangan Ibunya, Anak ini Meninggal ...

Akibat Tidak Mendengar Larangan Ibunya, Anak ini Meninggal ...

0 Response to "43 permintaan kembali dana kas kecil dibuat oleh"

Post a Comment

Iklan Atas Artikel

Iklan Tengah Artikel 1

Iklan Tengah Artikel 2

Iklan Bawah Artikel